Thin Cylinder
CQM Series Thin Cylinder (Guide Rod Type)
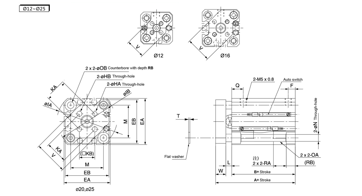
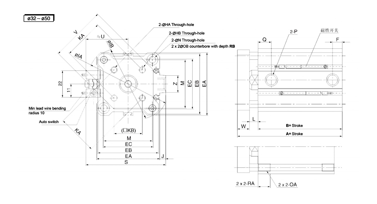
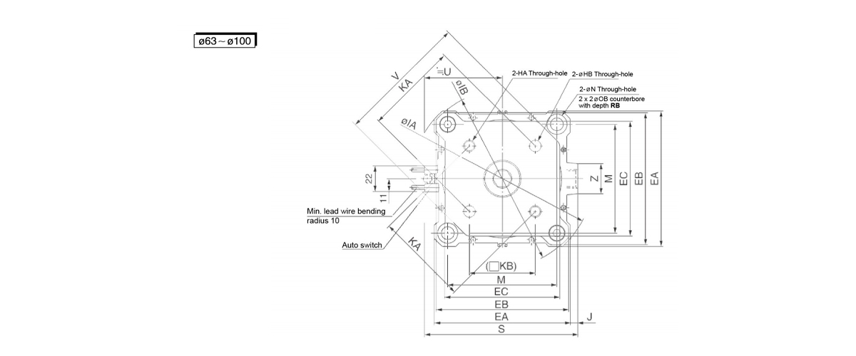
CQM Series Thin Cylinder (Guide Rod Type) is designed for high-rigidity guide and compact space conditions. It integrates load support and anti-torsion functions through a dual guide rod structure to meet the needs of precision positioning.
1. Standardized and reinforced structure
Following JIS standard specifications, it adopts a dual guide rod integrated design to ensure structural rigidity and operational stability.
2. Space adaptability
The compact body significantly reduces the installation space requirements and is suitable for space-constrained automation scenarios.
3. Composite anti-eccentric load capability
The dual guide rod system simultaneously suppresses rotational offset, provides excellent anti-bending and anti-torsion performance, and adapts to asymmetric load conditions.
4. High load compatibility
The guide rod mechanism can carry large motion loads and lateral forces, reducing the stress effect of cantilever conditions on the cylinder body.
5. Precision guide control
The end non-rotation accuracy is ≤±0.2°, ensuring high-precision linear motion trajectory.
6. Installation compatibility
The main body installation dimensions are interoperable with the standard thin cylinder series of the same specifications, supporting rapid replacement or upgrade of equipment.






