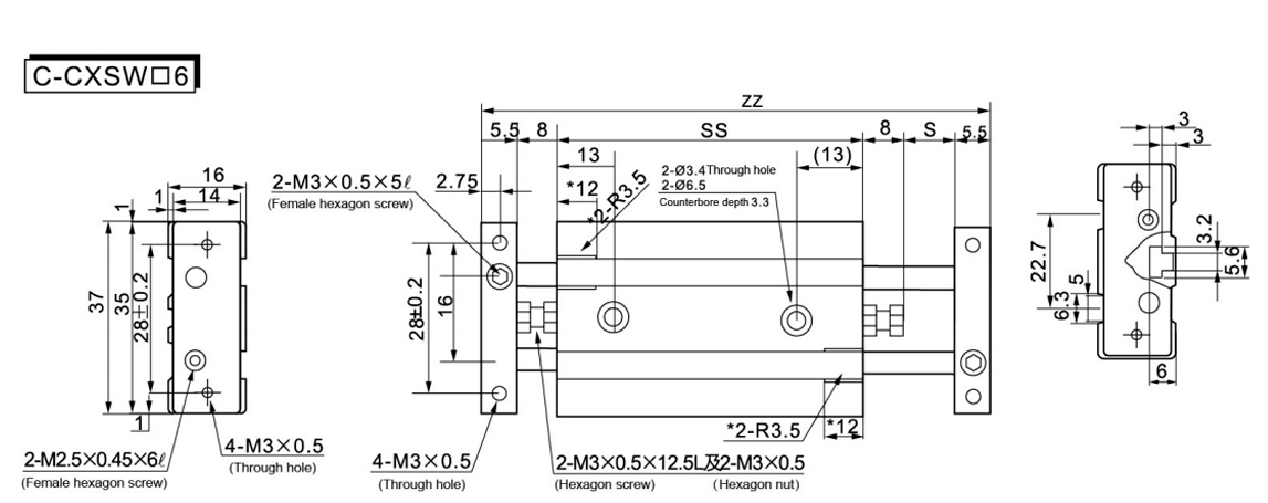
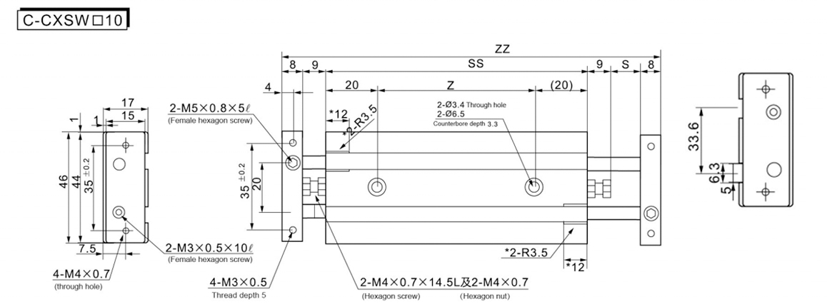
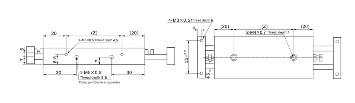
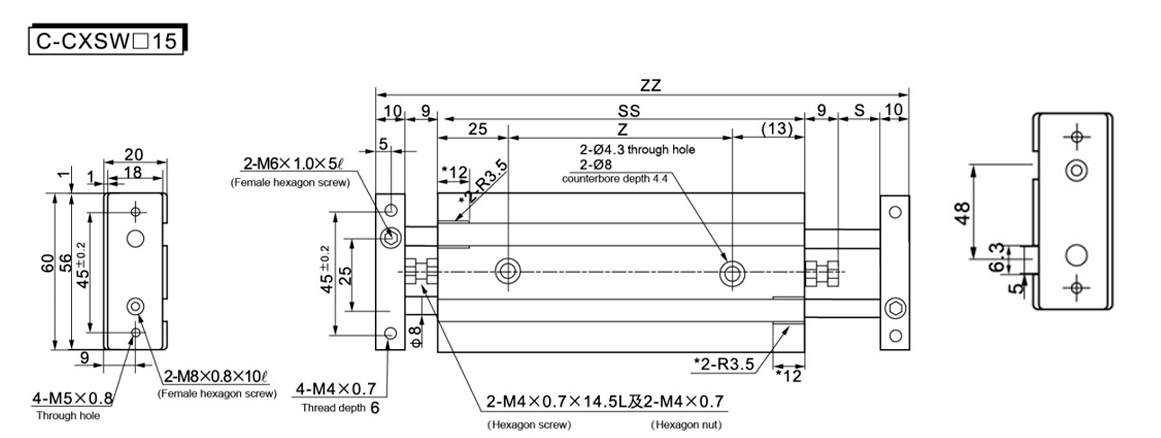
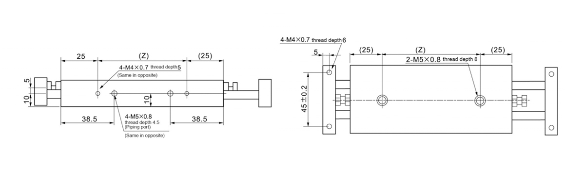
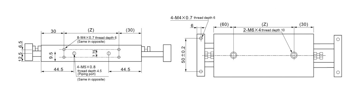
Multi-axis cylinder
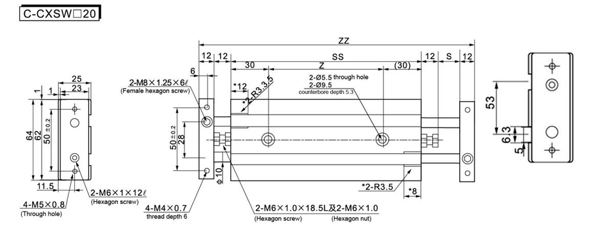
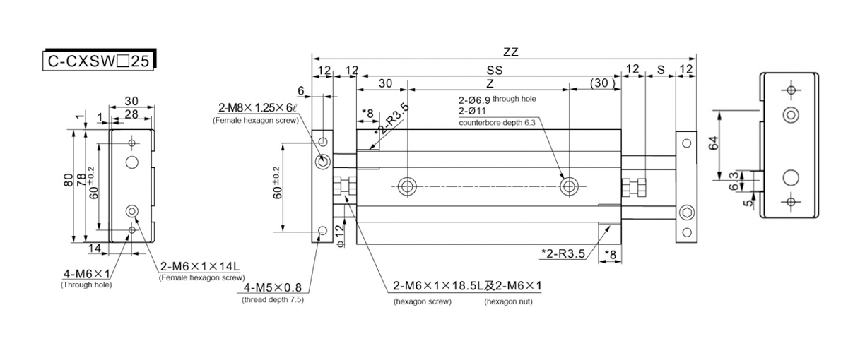
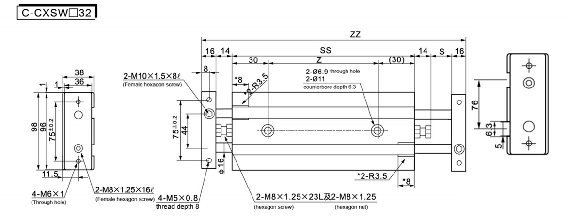
CXSW Series Through Rod Double Rod Cylinder
1. Maximum allowable load is 2-3 times greater than the CXS series
2. Dual cylinder design, 2 times the output force
3. High non-rotation accuracy
4. Strong side load resistance
5. Standard with stroke adjustment device: 0-10mm.















