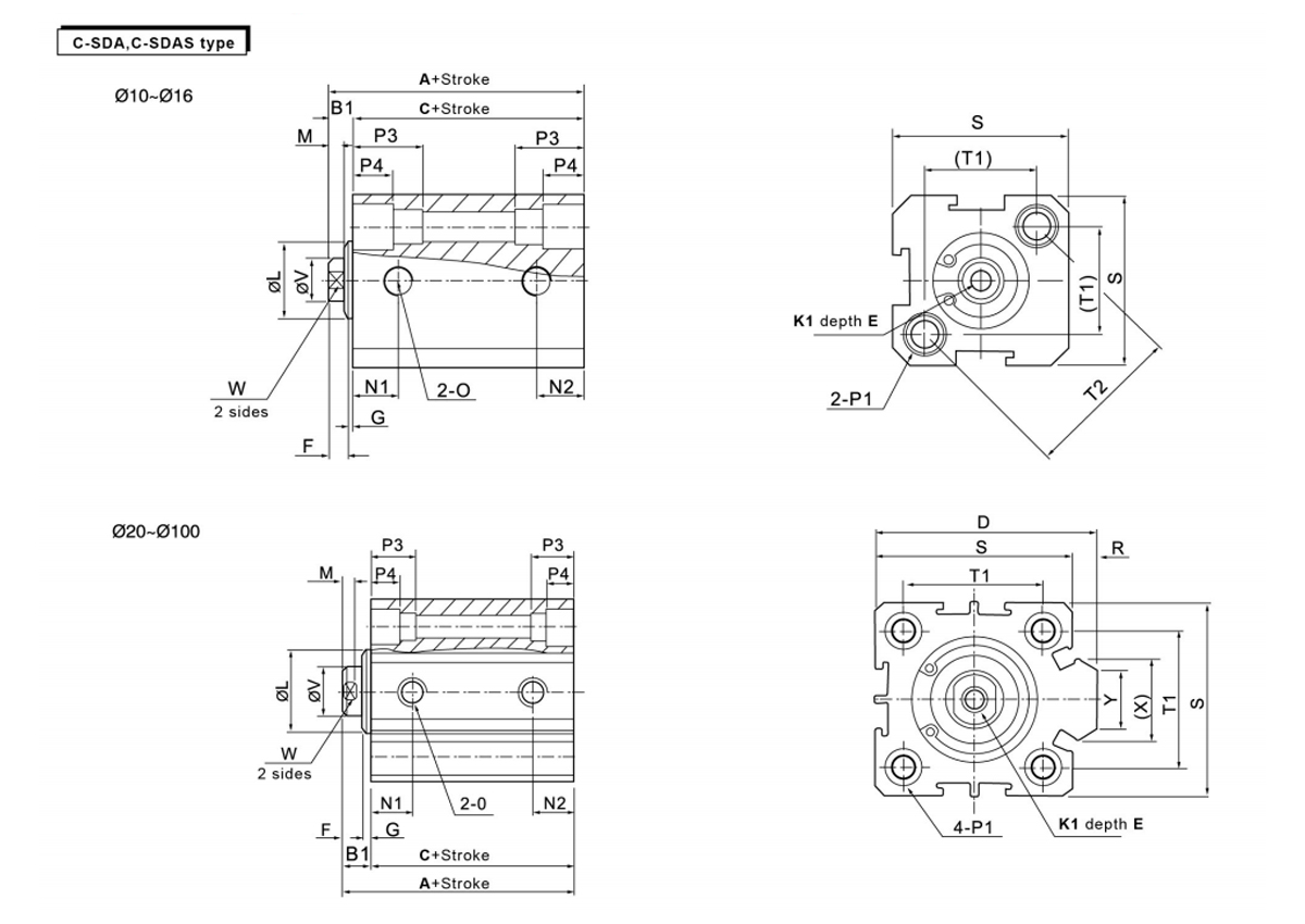
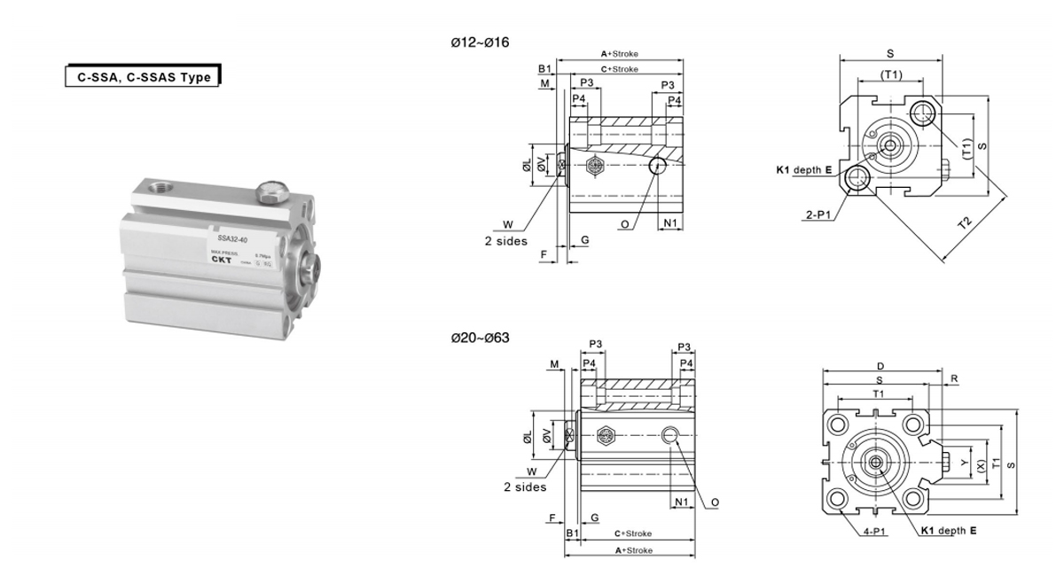
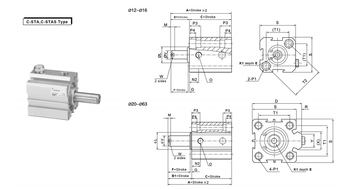
Thin Cylinder
SDA Series Thin Cylinder
Thin and light
While maintaining the existing motion accuracy and product life, its total length is only 1/2-1/3 of that of a general cylinder. It takes advantage of its thin and light characteristics.
Easy to install
The embedded installation method does not require any accessories to achieve the space saving requirements.
Easy to maintain
The design adopts a simple assembly method, which is convenient for installation, disassembly and maintenance.
Magnetic switch
The assembly groove is reserved on the periphery of the body, making it extremely simple to install and fix the magnetic switch and adjust its position.








